芯城品牌采购网 > 品牌资讯 > 技术方案 > 电容电阻在电源输入口串联的特殊用处
芯城品牌采购网
8394
我们经常使用电容和电阻,我们也比较熟悉单个电子元器件的使用。你会用电阻和电容吗?。今天,我就和大家一起简单了解几个电阻电容使用的例子。。
1.个电阻器串联电容器。
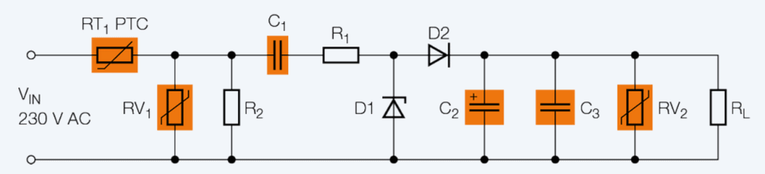
这类应用在电源输入口很常见,如下图1所示。串联电容器一般是陶瓷电容器,小电阻串联在一起,以限制通电瞬间流过电感Le的电流,从而也抑制了A点的电流。。当然,这种连接方法也可以用一个ESR比较大的单个电解电容器来代替。

电阻和电容的串联连接也可以作为滤波电路,如下图2所示。根据位置的不同,可以分别形成最基本的高通滤波器和低通滤波器电路。。

2.个电阻器与电容器并联。

如上图3所示,有时候我们也会在LDO电路中看到一些如A和B所示的连接。
接法A:电容器主要起电源慢启动的作用。如果LDO本身没有慢启动功能,您可以在这个地方进行预订。
在B处的连接方法:这主要是让电阻在系统上电和关断时充当一个假负载,从而达到快速关闭LDO的目的。这种连接方式有一个缺点。Not applicable。
此外,在运算放大器电路中,电容器和反馈电阻器可以并联形成低通滤波器,如下图4所示,频率低于4kHz的信号得到有效放大,高于4 khz的信号将得到不同程度的衰减。。

3.电阻器和电容器的其他组合。
当然,电阻和电容的组合还有其他应用,如下图5中的阻容降压电路。

免责声明:
文章内容转自互联网,不代表本站赞同其观点;
如涉及内容、图片、版权等问题,请联系2644303206@qq.com我们将在第一时间删除内容!